碳化硅管體雙頭打磨車床發明介紹
錢橋化工機械發明公開了一種實用新型碳化硅管體雙頭打磨車床,包括床身、第一移動部、第二移動部、第三移動部、第一夾持部、第二夾持部、第一磨削部、第二磨削部和防護罩,床身一端設有第一移動部,床身另一端設有第二移動部,床身中間靠近第一移動部的一邊設于第一夾持部,第一磨削部安裝在第一移動部上,第二夾持部和第三移動部均安裝在第二移動部上,第二夾持部安裝在第一移動部上靠近第一夾持部的一端,第一磨削部安裝第三移動部上,床身外側設有防護罩。本實用新型提供了一種磨削效率高、管體兩端直線度好、適用不同長度的管體磨削和開環形槽的碳化硅管體雙頭打磨車床。
碳化硅管體雙頭打磨車床
技術領域
本實用新型涉及化工機械設備領域,更具體涉及一種碳化硅換熱器的碳化硅管體雙頭打磨車床。
背景技術
換熱器是一種在不同溫度的兩種或兩種以上流體間實現物料之間熱量傳遞的節能設備,是使熱量由溫度較高的流體傳遞給溫度較低的流體,使流體溫度達到流程規定的指標,以滿足工藝條件的需要,同時也是提高能源利用率的主要設備之一。在現有的技術中通常存在換熱器中的換熱管通常具有兩種材質:搪瓷管和碳化硅管。
對于碳化硅管與管板的配合通常需要對碳化硅管的兩端進形打磨,以便于碳化硅管與管板上的安裝孔配合更加精確,以便于達到更好的密封效果。因此碳化硅管體的端部需要打磨同時開環形槽放置密封件,在現有技術中兩端分別進行打磨,由于碳化硅管體較長,所以兩端的直線度有時可能難以保證,分開打磨以后不能夠保證打磨的兩端的直線度,這樣安裝到管板以后碳化硅管是扭曲的容易斷裂;另外由于碳化硅管體硬度大分別打磨時磨頭會磨損,因此在打磨時設定的磨削量一致但是由于磨頭的磨損會導致達不到預設的磨削量。
實用新型內容
為了解決上述問題,本實用新型的目的在于提供了一種磨削效率高、管體兩端直線度好、適用不同長度的管體磨削和開環形槽的碳化硅管體雙頭打磨車床。
根據本實用新型的一個方面,提供了碳化硅管體雙頭打磨車床,包括床身、第一移動部、第二移動部、第三移動部、第一夾持部、第二夾持部、第一磨削部、第二磨削部和防護罩,床身一端設有第一移動部,床身另一端設有第二移動部,床身中間靠近第一移動部的一邊設于第一夾持部,第一磨削部安裝在第一移動部上,第二夾持部和第三移動部均安裝在第二移動部上,第二夾持部安裝在第一移動部上靠近第一夾持部的一端,第一磨削部安裝第三移動部上,床身外側設有防護罩。
在一些實施方式中,第一移動部的結構與第三移動部的結構相同,第一移動部包括第一電機、絲桿、螺母座、第一線軌、第一滑塊和第一安裝板,第一電機通過聯軸器連接絲桿,螺母座套設在絲桿上,第一線軌與絲桿平行設置,第一滑塊套設在第一線軌上,第一安裝板的底部固定連接螺母座和第一滑塊,第一安裝板的頂部固定安裝第一磨削部,第一電機驅動第一安裝板帶動第一磨削部在第一線軌上作直線往復運動。
在一些實施方式中,第二移動部包括第二電機、齒輪、齒條、第二線軌、第二滑塊和第二安裝板,第二電機的的輸出端連接齒輪,齒條固定在床身上,齒輪與齒條嚙合,第二線軌與齒條平行設置,第二滑塊套設在第二線軌上,第二電機與第二滑塊固定安裝在第一安裝板上,第二電機驅動第二安裝板在第二線軌上作直線往復運動。
在一些實施方式中,第一磨削部的結構與第二磨削部的結構相同,第一磨削部包括移動組件、第三安裝板和磨削組件,移動組件的移動方向與第一移動部的移動方向垂直,第三安裝板設置在移動組件上,磨削組件安裝在第三安裝板上。
在一些實施方式中,移動組件的結構與第一移動部的結構相同。
在一些實施方式中,磨削組件包括第一磨頭、第二磨頭和驅動件,驅動件帶動第一磨頭和第二磨頭轉動,第一磨頭上并列設有外圓磨頭和環形槽磨頭,第二磨頭上并列設有外圓磨頭和環形槽磨頭。
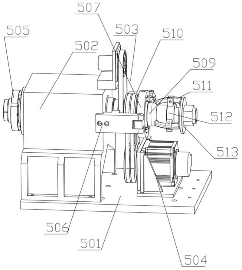
在一些實施方式中,第一夾持部包括第四安裝板、主軸箱、附加夾頭和旋轉驅動件,主軸箱設置在第四安裝板上,主軸箱遠離卡盤的一側設有附加夾頭,旋轉驅動件驅動主軸箱。
在一些實施方式中,附加夾頭包括支撐架、第一安裝架、軸承、錐形管、氣缸、第二安裝架、壓合卡爪和抱緊塊,支撐架固定在主軸箱上,第一安裝架的一側與第一支撐架鉸接,第一支撐架的另一側連接氣缸,氣缸固定在主軸箱上,氣缸位置與支撐架的位置對稱設置,錐形管通過軸承固定在第一安裝座內,錐形管錐度小的一端連接壓合卡爪的一端,壓合卡爪的另一端連接抱緊塊,壓合卡爪的中部與第二安裝架鉸接,第二安裝架固定在主軸箱上。
在一些實施方式中,第一夾持部的結構與第二夾持部的結構相同。
在一些實施方式中,第一夾持部與第二移動部之間設有伸縮防塵罩,第二移動部與床身之間設有伸縮防塵罩。
本實用新型通過第二移動部帶動第二磨削部進而能夠適用不同長度的管體磨削;通過第一磨削部和第二磨削部同時對管體的兩端磨削以及開環形槽,保證管體兩端的外圓周的直線度,能夠進一步的減少由于管體直線度不好造成的影響;利用第一夾持部和第二夾持部便于抱緊管體防止管體在磨削過程中移動導致磨削精度不高;同時第一磨削部和第二磨削部均設有兩組加工磨頭,一組用來粗加工一組用來精加工,以便于克服磨頭的磨損會導致達不到預設的磨削量的缺陷。
附圖說明
圖1是本實用新型碳化硅管體雙頭打磨車床的結構示意圖;
圖2是本實用新型碳化硅管體雙頭打磨車床的第一磨削部的結構示意圖;
圖3是本實用新型碳化硅管體雙頭打磨車床的第一夾持部的結構示意圖;
圖4是本實用新型碳化硅管體雙頭打磨車床的第一夾持部的縱向剖視圖;
圖5是本實用新型碳化硅管體雙頭打磨車床的長管加工示意圖;
圖6是本實用新型碳化硅管體雙頭打磨車床的短管加工示意圖。






當前位置: